0571-64618808
杭州乐鱼leyu阀门有限公司

科技突破未来 品质创造价值

首页 产品中心 工业阀门系统 止回阀

H41H/W/Y法兰连接钢制升降式止回阀

产品概述:

H41H、H41W、H41Y升降式止回阀主要作用是防止管路中的介质倒流。水泵吸水关的底阀也属于止回阀类。启闭件靠介质流动和力量自行开启或关闭,以防止介质倒流的阀门叫止回阀。止回阀属于自动阀类,主要用于介质单向流动的管道上,只允许介质向一个方向流动,以防止发生事故。


咨询我们
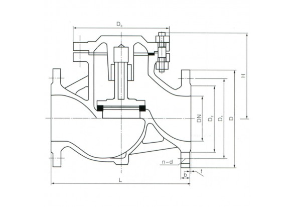
  • 技术参数
  • 外型尺寸
  • 零件材料
  • 下载中心
  • 1610528524(1).jpg


  • 1610528572.jpg