水流指示器
产品概述:
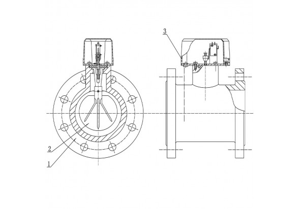
ZSJZ系列水流指示器,用于自动喷头水灭火系统,它可以安装在主供水管或支管上,给出某一区域水流动的电信号,此电信号可送到电控箱,也可用于启动消防水泵的控制开关。
我公司生产的水流指示器系列产品, 有带延时电路ZSJZ (A型)和不带延时电路的ZSJZ( B型), 每种型号有50、 65、 80、 100、 125、 150, 200七种规格, 供不同管道使用。带延时电路的水流指示器, 出厂时延迟时间调为4S, 如果需要其他时间, 我公司可按要求供贷。 连接方法:管螺纹、 焊接、 法兰、 马鞍四种型式供用户选择。
- 技术参数
- 外型尺寸
- 零件材料
- 下载中心


