0571-64618808
杭州乐鱼leyu阀门有限公司

科技突破未来 品质创造价值

首页 产品中心 给排水系统 水力控制阀系列

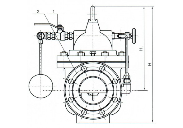
100X遥控浮球阀

产品概述:

 100X遥控浮球阀主要安装于水池或高架水塔的进水处,能有限控制水箱液面,适时切断或打开浮球阀芯输入水流或阻止水流外泄。液位控制准确,不受水压干扰。该阀可随水池高度在任意位置安装、维护、调试、检查方便,密封可靠,使用寿命长。适用于工矿、企业、高层建筑的水箱、水池、水塔的自动供水系统。DN500(含DN500)以上采用活塞式结构。


咨询我们
  • 技术参数
  • 外型尺寸
  • 零件材料
  • 下载中心
  • 1610589561(1).jpg