0571-64618808
杭州乐鱼leyu阀门有限公司

科技突破未来 品质创造价值

首页 产品中心 楼宇自控系统 电动阀

CJ228系列三线制电动阀

产品概述:

CJ228系列三线制开关式电动阀, 由CJ228系列阀门驱动器、 阀体和可更换的阀芯组成。 用于控制冷水或热水空调系列管道的开启或关闭 ,达到控制室温之目的。 并为多种用途而设计。 根据所选型号的不同, 即可采用低压单刀控制器, 也可采用线电 压单刀控制器, 来控制这种阀门的运行, 采用三线连接方式, 只有在开启阀门时才需耗电 , 电机功耗少。 驱动器可自由拆卸, 通过阀门关闭和开启, 使室温始终保持在温控器设定的温度范围内。


咨询我们
  • 技术参数
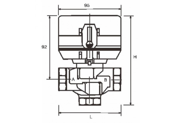
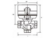
  • 外型尺寸
  • 零件材料
  • 下载中心
  • 1610594236(1).jpg


  • 1610594252(1).jpg


  • 1610594214(1).jpg