0571-64618808
杭州乐鱼leyu阀门有限公司

科技突破未来 品质创造价值

首页 产品中心 楼宇自控系统 调节阀

DFR系列电动蝶阀

产品概述:

DFR系列电动蝶阀, 采用角行程执行机构 , 控制方式有三态浮点控制、 连续比例控制、智能通讯控制等 , 产品外型美观、 制作精良、安装方便, 设置手动操作柄及释放钮, 可十分方便地进行手动操作。产品被广泛应用千流体自动控制系统中。


咨询我们
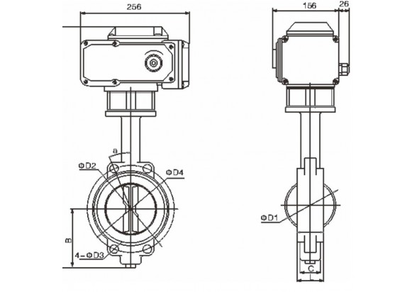
  • 技术参数
  • 外型尺寸
  • 零件材料
  • 下载中心
  • 1610594441(1).jpg